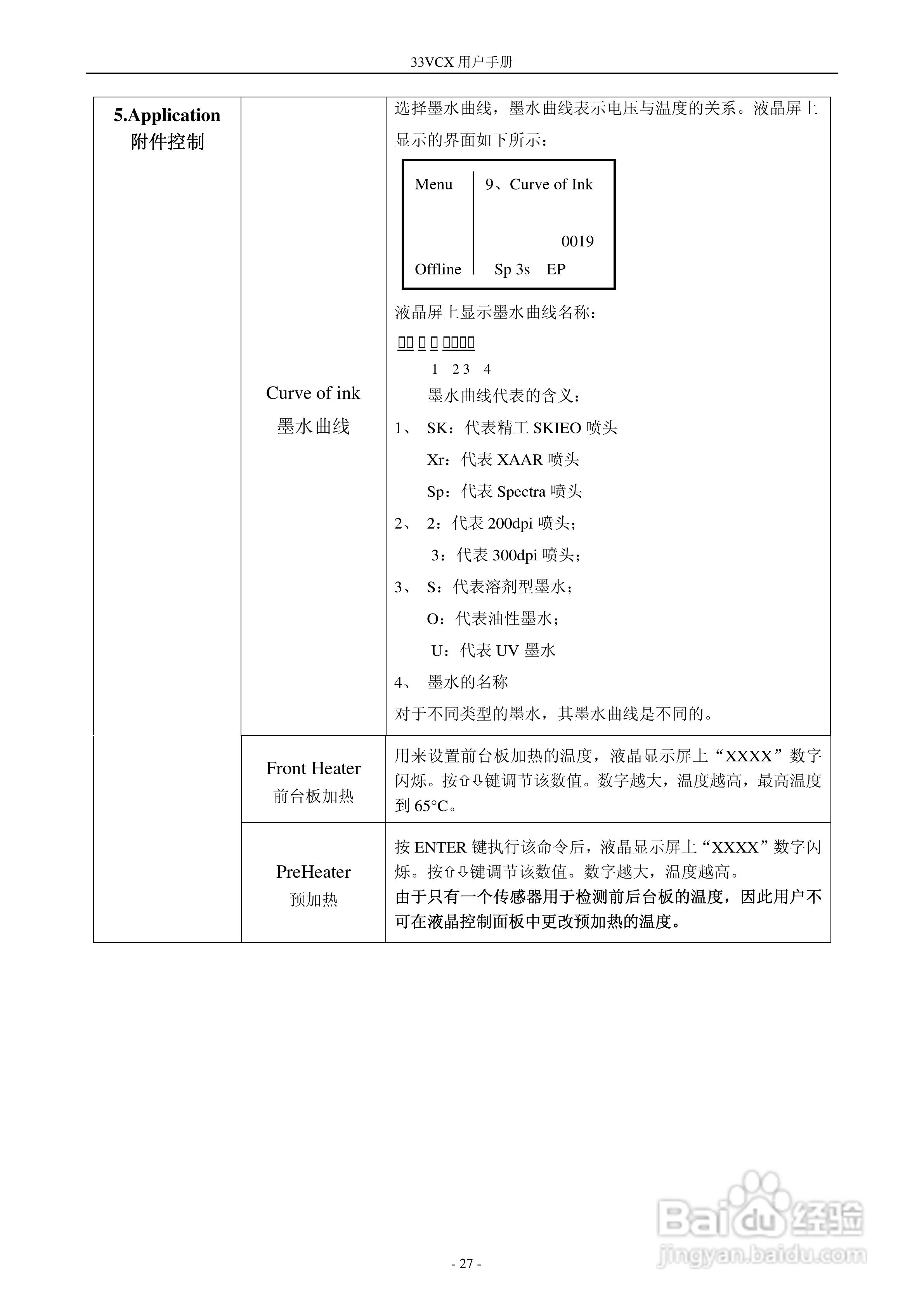
33VCX 型打印机 600001560 说明书:[3]

 时间:2026-02-14 15:18:41

本篇为《33VCX 型打印机 600001560 说明书》,主要介绍该产品的使用方法以及常见故障解决方案。


33VCX 型打印机 600001560 说明书:[3]

33VCX 型打印机 600001560 说明书:[3]

33VCX 型打印机 600001560 说明书:[3]

33VCX 型打印机 600001560 说明书:[3]

33VCX 型打印机 600001560 说明书:[3]

33VCX 型打印机 600001560 说明书:[3]

33VCX 型打印机 600001560 说明书:[3]

33VCX 型打印机 600001560 说明书:[3]

33VCX 型打印机 600001560 说明书:[3]

33VCX 型打印机 600001560 说明书:[3]

(共篇)上一篇:|下一篇:
  • 如何办理澳洲188A投资移民政策
  • 拍婚纱照的经验之谈
  • 怎么样可以祛痘
  • 柠檬鸡米花的做法
  • 污拼音怎么拼
  • 热门搜索
    旅游报名 爱丁堡旅游 土楼旅游 旅游作文600字 德国旅游买什么 鼓浪屿旅游景点 去土耳其旅游 同安旅游景点大全 旅游年卡一卡通景点 苏州旅游景点地图